游客,您好
注册 登陆 退出 登录帮助 用户中心 搜索 康佳电视串号检测 备用网址 关于 加入收藏
家电 电脑 平板 游戏 数据 软件 电玩 东芝 L G BOE 微鲸 夏普 风行 暴风 麦龙 联通 金正 鼎科 论坛
虹星 三星 厦华 熊猫 联想 同方 韩电 乐视 拓步 CNC 看尚 小米 PPTV 杂牌 中韩 现代 惠科 理想 山水
[电视机] [影碟机] [音响功放] [冰箱空调] [汽车电路] [家用电器] [电器配件] [刷机教程]                    
家电 - 电视机 - 创维 - 显象管型 - 浏览家电
创维CTV8219彩电故障维修三例
发布日期:2013-3-13 16:44:20 作者: 出处: 浏览:80 人次 【

创维CTV8219彩电故障维修三例
2002年,第42期,类别:彩电维修

 [例1] 开机电源指示灯亮一下就熄灭,机内发出“吱吱”声,呈三无状态。
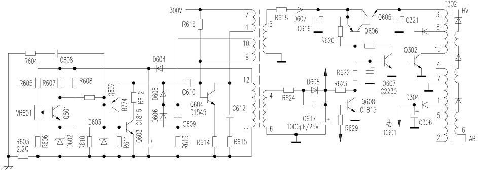
  据故障现象分析,说明开关电源已起振,但由于电源过流而引起保护,且发出“吱吱”声。打开机壳观察,发现C617炸裂,开机/待机控制管Q605(C2335)、Q606(A1013)击穿,行输出管Q302损坏(见附图)。拆下损坏元件,在+B电压滤波电容C616两端并上60W灯泡作假负载,并监测灯泡两端电压,开机灯泡很亮,C616两端电压升到200V后又迅速回落到150V左右,表针抖动不止,说明+B电压过高。查开关电源部分,发现Q602、Q603引脚有裂纹,但补焊后故障依旧。维修经验表明,+B电压过高,由晶体管异常引起的不多见,而电解电容异常引起的却屡屡发生。试代换取样滤波电容C609(47μF/50V)无效,当代换正反馈电容C610(47μF/50V)后+B电压稳定。用数字万用表测C610容量仅3.9μF。由于C610的耐压值偏低且长期工作在高温的环境中,极易失效,建议用耐压值为63V的同容量电容更换。将损坏的Q605、Q606、C617、Q302换新,检查无误后开机,监测+B电压升到100V后迅速下降到40V,后又上升为70V,表针在40V~70V间摆动。怀疑场输出电路有过流,引起+B电压不稳。该机场输出块IC301(LA7830)供电,是由行输出变压器{1}脚经D304整流、C306滤波后提供的,断开D304后开机,屏幕出现一条水平亮线,同时监测+B电压稳定,怀疑IC301损坏。拆下检查,发现其{3}脚被炸穿一小洞,查D304短路。将IC301、D304换新后试机,整机修复正常。
 [例2] 开机呈三无。
  据用户反映,该机曾出现三无故障,经维修人员更换开关管后试机一切正常,第二天晚上开机,又呈三无状态,于是转到我处维修。
  经检查,发现R603开路,电源开关管Q604 c、e极短路(见附图),其他未见异常。将两损坏元件换新后,用调压器把市电调到110V左右试机,监测C616两端电压能稳定在115V,缓慢调高输入电压至230V,+B电压仍稳定,怀疑前维修者所换开关管D1710质量低劣。于是直接用市电供电试机,未料机内“吱”的一声,急忙关机。检查除R603、Q604损坏外,Q603亦损坏。由于C609、C610两电解电容长期被包围在高温环境中,故障率极高,果断将C609、C610代换,并将R603、Q603、Q604换新后开机,上述器件再次损坏。将上述损坏件换新后,再仔细检查,终于查出R614(2.2Ω)的电阻值已增至8.6Ω,用2.2Ω(2W)电阻换上,故障出乎意料地排除
  [例3] 该机数月未使用,有一天开机时发现光栅泛白无图像,且字符模糊不清。
  该机由显像管管座漏电而导致聚焦不良的现象时有发生,严重时聚焦极引脚齐根蚀断。对此笔者感到困惑,为什么有些机子总是显像管管座损坏,这是否和显像管有关呢?经更换优质显像管后,字符清晰了,但图像偏淡且无彩色。查IC201(TA8659){57}脚亮度钳位电容C209(0.47μF)底部漏液,已无充放电现象,换之,图像清晰,但图像偏红仍无彩色。进一步测量IC201三基色输出端子{41}、{42}、{43}脚电压,分别为4.2V、4.0V、4.0V,说明红基色输出电压偏高。查视放电路无异常,进一步检查R-Y、B-Y色差输出输入及其外围元件,发现C203、C202均存在容量不稳及漏液现象,换新后故障排除。


共有1条家电 页次:1/1 分页: 9 1 :
发布人:----- 】·【推荐好友】·【打印】·【顶部
相关家电
[显象管型] ·创维CTV8219彩电故障维修三例 2013-03-13
相关评论
   系统暂时关闭评论功能!
最新家电
 长虹液晶电视数据查找...
 GBJ25005 GBJ2501 GB...
 U盘刷机的准备U盘和基...
 AOZ1037的引脚功能
 AOZ3015AI的引脚功能
 刷你的数据灯都不亮了...
热门家电
 AOZ3015AI的引脚功能
 TCL超级芯片8859CSNG...
 海信变频压缩机UVW三...
 JT1199,CH341编程...
 松下NN-K652电脑...
 松下电饭煲显示U15
推荐家电
文章搜索
关键字:
网站声明 | 网站留言 | 友情链接 | 与我在线
Copyright ? 数据之家 All Rights Reserved.2002-2099
邮:2843417081@qq.com