游客,您好
注册 登陆 退出 登录帮助 用户中心 搜索 康佳电视串号检测 备用网址 关于 加入收藏
家电 电脑 平板 游戏 数据 软件 电玩 东芝 L G BOE 微鲸 夏普 风行 暴风 麦龙 联通 金正 鼎科 论坛
虹星 三星 厦华 熊猫 联想 同方 韩电 乐视 拓步 CNC 看尚 小米 PPTV 杂牌 中韩 现代 惠科 理想 山水
[电视机] [影碟机] [音响功放] [冰箱空调] [汽车电路] [家用电器] [电器配件] [刷机教程]                    
家电 - 电视机 - 长虹 - 显象管型 - 浏览家电
长虹D2525彩电亮度失控故障检修
发布日期:2013-3-12 12:30:52 作者: 出处: 浏览:247 人次 【


长虹D2525彩电亮度失控故障检修
2001年,第52期,类别:彩电维修

  开机屏幕呈现很亮的白光栅,亮度不能控制,图像极淡,满屏回扫线。
  出现亮度失控故障的常见原因,为显像管加速极电压过高或阴极电位过低。在由分立元件组成的视放末级电路中,显像管阴极电位通常由末级视放管的c极电位决定。当某一阴极电位严重降低时,光栅将出现严重偏色且亮度失控现象,当光栅为白色时,说明三阴极电位同时降低或加速极电压过高,一般应先查视放末级供电电压是否正常及解码输出的三基色(或色差)信号直流电位或亮度信号是否正常,然后检查加速极电压是否正常。
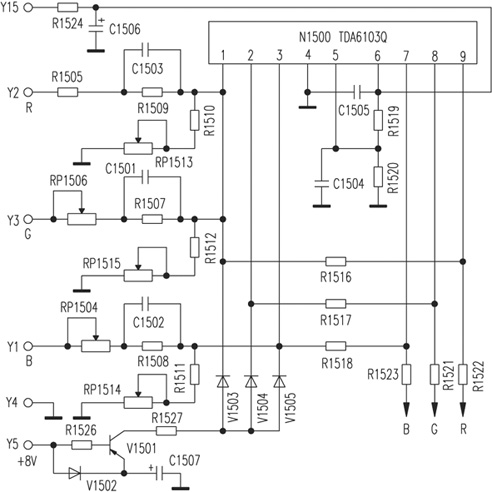
  本机的末级视放电路采用新型的集成化单片视频末级放大器TDA6103Q,有关电路见附图。TDA6103Q{1}、{2}、{3}脚为推动信号输入端,本机为R、G、B基色信号输入,{5}脚为参考电压取样(在{1}、{2}、{3}脚为色差信号输入时{5}脚为Y信号输入),{7}、{8}、{9}脚输出经放大后的B、G、R信号,经电阻R1521~R1523直接驱动显像管三阴极。该IC与传统的分立元件视放电路相比,具有视频带宽宽、增益高和良好的过渡沿特性,因此,在大屏幕彩电中得到越来越广泛的应用。
  由于显像管加速极供电电压内阻大,普通万用表不易测出其准确值,因此,本例故障的检修首先从测量视放级供电电压入手。测得N1500{6}脚直流电压刚开机瞬间为220V,然后慢慢上升至268V处稳定,再测{7}、{8}、{9}脚电压分别为9V、41V和47V,均严重偏低,显然,这是引起亮度失控的主要原因。而引起N1500输出电压过低的原因可能因N1500本身损坏,也可能由其外部因素所导致。因此,进一步测量其{1}、{2}、{3}脚电压,分别为0.58V、0.58V和0.62V,再测其{5}脚电压为0.57V,与正常值相比均相差较大。
  N1500{1}、{2}、{3}脚电压与解码IC TDA8362{18}、{19}、{20}脚输出电压相关。在此电路中,若该电压降低,将导致N1500 {7}、{8}、{9}脚输出电压上升而引起显像管亮度下降,而实测结果却相反,因此,暂不怀疑解码部分的故障,判断故障存在于N1500及其周边电路。从测量结果分析,{5}脚电压比正常值1.25V也明显偏低,该端为IC内部R、G、B三个视频放大器的参考电压取样端,其电压偏离正常值后将导致三路视频放大器工作全部不正常。引起该端电压降低的原因有:C1504漏电;R1519阻值增大;N1500损坏。根据本人多年维修经验得知,凡阻值较大的小功率电阻且两端工作电压较高的,其损坏率也相对较高,故先拆下R1519检查,经测量发现其阻值已由正常值220kΩ增大至近700kΩ。原机R1519使用1/4W小型炭膜电阻,为避免日后故障重现,用2只1/4W、110kΩ电阻装于R1519位置,试机故障排除。重新测量N1500各脚电压已恢复至正常值。
  附图中V1501~V1505、C1507、R1526、R1527等元件组成关机消亮点电路。正常工作时,C1507两端有近8V电压,V1501截止,其c极无电压,该电路对视放末级电路正常工作无影响。在电视机关机瞬间,8V电压很快消失,C1507上的电压经V1501e、b极与R1526放电,V1501导通,C1507正极处的8V电压经V1501 e极到达c极,然后由V1503~V1505分别加至N1500{1}、{2}、{3}脚,使其{7}、{8}、{9}脚输出端电压下降至近0V,显像管R、G、B阴极电位被强迫拉低,而使显像管上残存的高压快速泄放,以达到消除关机亮点的目的。若V1501在正常工作中c、e极漏电或击穿,也会产生类似亮度失控故障,检修时测量V1501 c极电压便可判断。
  此故障虽已排除,但故障出现时为何视放级供电端(N1500{6}脚)电压却会异常上升(指针式500型万用表及数字万用表测量均如此),实在使人费解。

共有1条家电 页次:1/1 分页: 9 1 :
发布人:----- 】·【推荐好友】·【打印】·【顶部
相关家电
[显象管型] ·长虹D2525彩电亮度失控故障检修 2013-03-12
相关评论
   系统暂时关闭评论功能!
最新家电
 长虹液晶电视数据查找...
 GBJ25005 GBJ2501 GB...
 U盘刷机的准备U盘和基...
 AOZ1037的引脚功能
 AOZ3015AI的引脚功能
 刷你的数据灯都不亮了...
热门家电
 AOZ3015AI的引脚功能
 TCL超级芯片8859CSNG...
 海信变频压缩机UVW三...
 JT1199,CH341编程...
 松下NN-K652电脑...
 松下电饭煲显示U15
推荐家电
文章搜索
关键字:
网站声明 | 网站留言 | 友情链接 | 与我在线
Copyright ? 数据之家 All Rights Reserved.2002-2099
邮:2843417081@qq.com