游客,您好
注册 登陆 退出 登录帮助 用户中心 搜索 康佳电视串号检测 备用网址 关于 加入收藏
家电 电脑 平板 游戏 数据 软件 电玩 东芝 L G BOE 微鲸 夏普 风行 暴风 麦龙 联通 金正 鼎科 论坛
虹星 三星 厦华 熊猫 联想 同方 韩电 乐视 拓步 CNC 看尚 小米 PPTV 杂牌 中韩 现代 惠科 理想 山水
[电视机] [影碟机] [音响功放] [冰箱空调] [汽车电路] [家用电器] [电器配件] [刷机教程]                    
家电 - 电视机 - 长虹 - 显象管型 - 浏览家电
长虹C2588PZ彩电VD820不良造成综合性故障
发布日期:2013-3-12 9:40:59 作者: 出处: 浏览:110 人次 【

长虹C2588PZ彩电VD820不良造成综合性故障
2002年,第51期,类别:彩电维修

  一台长虹C2588PZ彩电,光栅呈梯形失真,图像不稳,行、场不同步。
  从故障现象看,这是一个貌聘丛拥淖酆闲怨收稀O却庸庹こ侍菪问д嫒胧纸屑觳椋庹硇0澹玻罚止┑绲缪刮保梗郑觳椋玻罚止┑绲缏吩#俨猓玻罚止┑缍艘仓挥校保梗肿笥摇R蛭饬铰返缪苟际怯尚惺涑龅缏诽峁┑模得餍惺涑龅缏饭ぷ鞑徽2庑惺涑龅缏饭┑绲缪梗挛福叮肿笥遥也晃榷ǎ9ぷ魇蔽保保担帧S纱朔治觯收细春芸赡芫驮诳氐缭吹缏罚庹こ侍菪问д妗⑼枷癫晃取⑿谐〔煌蕉伎赡苁且颍碌缭吹缪菇档颓也晃榷ㄒ鸬摹2饪氐缭矗露说缪梗蔽担叮郑慰蔽福叮肿笥仪也晃榷ā5鹘诘缥黄鳎遥校福担保嗖猓碌缪刮廾飨员浠獾珩詈掀鳎危眩矗玻秢3}脚电压始终为-7V亦基本无变化。检查相关关键元件NQ426、RP851和VQ827均正常,断开行负载,接上70W电烙铁作假负载,开机测+B电压为115V;用两个150W灯泡并联作假负载,开机测+B电压明显偏低,这说明开关电源带负载能力变差。结合+B电压不稳,应该重点检查电源恒流驱动部分电路。
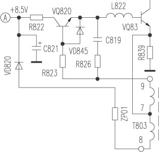
  该机电源恒流驱动部分电路如附图所示。图中VQ820为驱动控制管,由T803{9}脚提供正反馈控制信号。VD820和C821为恒流驱动电源的整流滤波元件,R822为驱动电流限流电阻,其阻值大小决定驱动电流的大小,驱动电流越大,带负载能力越强。图中A点由VD820提供恒流驱动电压,它受待机控制电路控制。正常时,A点电压在待机时为3.5V左右,二次开机时为8.5V左右。实测A点电压在待机时为0.1V,开机时为0.4V左右,这说明恒流驱动电路没有正常工作。A点电压低可能有两方面的原因:(1)A点后面的负载电路有短路故障;(2)整流滤波电路有问题。检查负载电路没有短路现象,检查整流滤波电路的VD820、C821、ZP01也没有发现异常,难道是T803有问题?在开机状态下测T803{8}脚有5V左右的交流电压,那么为什么整流滤波后电压变低了呢?重新焊下VD820仔细检查,发现和正常二极管相比其正向电阻值偏大。更换VD820后,A点电压恢复正常,+B电压恢复正常,上述故障现象排除。分析认为,是VD820正向电阻值变大使恒流驱动电源的内阻变大,导致该整流电源带负载能力变差,从而使整机开关电源带负载能力变差。一个貌似复杂的综合性故障,其罪魁祸首竟是一只小小的二极管


共有1条家电 页次:1/1 分页: 9 1 :
发布人:----- 】·【推荐好友】·【打印】·【顶部
相关家电
[显象管型] ·长虹C2588PZ彩电VD820不良造成综合... 2013-03-12
相关评论
   系统暂时关闭评论功能!
最新家电
 长虹液晶电视数据查找...
 GBJ25005 GBJ2501 GB...
 U盘刷机的准备U盘和基...
 AOZ1037的引脚功能
 AOZ3015AI的引脚功能
 刷你的数据灯都不亮了...
热门家电
 AOZ3015AI的引脚功能
 TCL超级芯片8859CSNG...
 海信变频压缩机UVW三...
 JT1199,CH341编程...
 松下NN-K652电脑...
 松下电饭煲显示U15
推荐家电
文章搜索
关键字:
网站声明 | 网站留言 | 友情链接 | 与我在线
Copyright ? 数据之家 All Rights Reserved.2002-2099
邮:2843417081@qq.com