游客,您好
注册 登陆 退出 登录帮助 用户中心 搜索 康佳电视串号检测 备用网址 关于 加入收藏
家电 电脑 平板 游戏 数据 软件 电玩 东芝 L G BOE 微鲸 夏普 风行 暴风 麦龙 联通 金正 鼎科 论坛
虹星 三星 厦华 熊猫 联想 同方 韩电 乐视 拓步 CNC 看尚 小米 PPTV 杂牌 中韩 现代 惠科 理想 山水
[电视机] [影碟机] [音响功放] [冰箱空调] [汽车电路] [家用电器] [电器配件] [刷机教程]                    
家电 - 电视机 - 长虹 - 显象管型 - 浏览家电
长虹C2991彩电C466损坏造成的两种常见故障
发布日期:2013-3-11 9:02:13 作者: 出处: 浏览:92 人次 【

长虹C2991彩电C466损坏造成的两种常见故障
2002年,第2期,类别:彩电维修

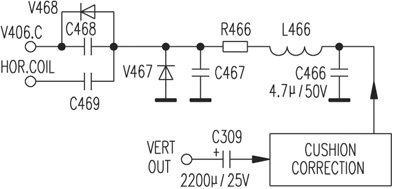
  笔者曾检修过多台长虹C2991(C2591)系列彩电的枕形失真故障,经查其故障原因都是因枕形校正网络的选频电容C466(4.7μF/50V)损坏造成,见附图。
  在大屏幕彩电中,都设有东西枕形失真校正电路,以校正左右图像枕形失真。该机采用二极管(V647)调制枕形失真校正电路,对等幅的行偏转电流进行抛物波调制,使电子束在屏幕中心扫描速度加快,在两侧时扫描速度减慢,达到枕形校正目的。
  图中,C309为场锯齿波电流输入电容,方框内为枕校主电路,包括场频抛物波的形成、放大电路,V467调制电流的改变是通过改变C467上的电压,来控制它的导通程度达到正确调制目的的。
  检修实践证明,选频网络中的C466损坏率很高,会造成以下两种常见的故障现象。
  1.光栅扩大,左侧较明显,左上角电视台的台标左移约3cm,多数台标看不见。此类故障都是C466容量严重不足并有漏电现象所致。由于C466容量减小,使C466、L466组成的选频网络偏离正常的选频值,场频抛物波不能顺利通过选频网络去调制V467,枕形失真得不到应有的校正而出现光栅扩大的故障现象。
  2.开机三无,电源保险管烧断、发黑,电源调整管击穿。此类故障是C466击穿所致。由于C466由严重漏电到击穿,造成该部分电路短路,致使开关电源负载过重,损坏电源调整管,进而使保险管烧黑断路。维修经验表明,对于长虹C2991系列彩电,当出现烧坏电源调整管和电源保险管时,首先应检查C466是否损坏,以免走弯路。更换C466时,要注意以下几个方面:
  1)C466经常损坏的原因是它安装在两个散热片之间,长期受烘烤而使电解液*涸,若其容量下降,会造成枕形失真;如果严重漏电甚至击穿,就会造成三无。因此,新换的电容可安装在印刷板的焊锡面,使其远离热源,消除隐患。
  2)可适当提高C466的耐压值,减小漏电电流,延长使用寿命,建议用4.7μF/160V或4.7μF/250V的电容器替换。
  3)如果没有无极性电容,可用两只10μF/160V的普通电解电容,使其正极接正极或负极接负极,串联成一只5μF/320V的无极性电容,效果也很好。

共有1条家电 页次:1/1 分页: 9 1 :
发布人:----- 】·【推荐好友】·【打印】·【顶部
相关家电
[显象管型] ·长虹C2991彩电C466损坏造成的两种常见... 2013-03-11
相关评论
   系统暂时关闭评论功能!
最新家电
 长虹液晶电视数据查找...
 GBJ25005 GBJ2501 GB...
 U盘刷机的准备U盘和基...
 AOZ1037的引脚功能
 AOZ3015AI的引脚功能
 刷你的数据灯都不亮了...
热门家电
 AOZ3015AI的引脚功能
 TCL超级芯片8859CSNG...
 海信变频压缩机UVW三...
 JT1199,CH341编程...
 松下NN-K652电脑...
 松下电饭煲显示U15
推荐家电
文章搜索
关键字:
网站声明 | 网站留言 | 友情链接 | 与我在线
Copyright ? 数据之家 All Rights Reserved.2002-2099
邮:2843417081@qq.com