游客,您好
注册 登陆 退出 登录帮助 用户中心 搜索 康佳电视串号检测 备用网址 关于 加入收藏
家电 电脑 平板 游戏 数据 软件 电玩 东芝 L G BOE 微鲸 夏普 风行 暴风 麦龙 联通 金正 鼎科 论坛
虹星 三星 厦华 熊猫 联想 同方 韩电 乐视 拓步 CNC 看尚 小米 PPTV 杂牌 中韩 现代 惠科 理想 山水
[电视机] [影碟机] [音响功放] [冰箱空调] [汽车电路] [家用电器] [电器配件] [刷机教程]                    
家电 - 电视机 - TCL - 显象管型 - 浏览家电
HD25M62开机问题(解决)
发布日期:2013-3-7 13:22:28 作者: 出处: 浏览:194 人次 【

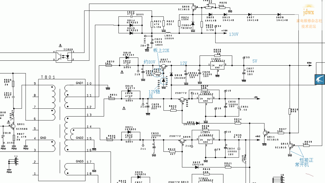
此机电源采用分立元件(双C3807)等组成:换高压包修好后,收集24C32数据照原座插回,烧R830(10欧)丶D807(DA1273)丶爆C826(2200UF).把24C32与座反向插,换下坏件,没法开机,短接控制管Q012(C1815)B丶E极可正常开机使用.断开Q012---B丶E极,实测D1273的C极22V,B极5V,E极5V(即L7805输出3V),这路待机电压是否正常,请高手指点.          (经考参试验此电压供CPU部分工作,一定要正常(L7805)输出5V), 以下借鉴HD21M62电源图, HD21M62.gif
---------------------------------
再附上HD25M62相似电路图 HD21M62S HY11
---------------------------------
你的强制开机,正常使用什么意思?,能收看吗?,+B与其他电压多少?
---------------------------------
是说除强制外,其它功能,电源,收看等正常,参考整张电路图(HD21M62S )可能是TIP41C代用DA1273参数问题,解决方法是加大C825为100UF/160V,再并一只R837(22K),稳压出12V,再经5V稳压供CPU正常工作.
---------------------------------
22K电阻待机时只能为稳压管提供1mA的电流,太小了,另外,D819输出电压低了,正常应12V以上的,
共有1条家电 页次:1/1 分页: 9 1 :
发布人:----- 】·【推荐好友】·【打印】·【顶部
相关家电
[显象管型] ·HD25M62开机问题(解决) 2013-03-07
相关评论
   系统暂时关闭评论功能!
最新家电
 长虹液晶电视数据查找...
 GBJ25005 GBJ2501 GB...
 U盘刷机的准备U盘和基...
 AOZ1037的引脚功能
 AOZ3015AI的引脚功能
 刷你的数据灯都不亮了...
热门家电
 AOZ3015AI的引脚功能
 TCL超级芯片8859CSNG...
 海信变频压缩机UVW三...
 JT1199,CH341编程...
 松下NN-K652电脑...
 松下电饭煲显示U15
推荐家电
文章搜索
关键字:
网站声明 | 网站留言 | 友情链接 | 与我在线
Copyright ? 数据之家 All Rights Reserved.2002-2099
邮:2843417081@qq.com