游客,您好
注册 登陆 退出 登录帮助 用户中心 搜索 康佳电视串号检测 备用网址 关于 加入收藏
家电 电脑 平板 游戏 数据 软件 电玩 东芝 L G BOE 微鲸 夏普 风行 暴风 麦龙 联通 金正 鼎科 论坛
虹星 三星 厦华 熊猫 联想 同方 韩电 乐视 拓步 CNC 看尚 小米 PPTV 杂牌 中韩 现代 惠科 理想 山水
[电视机] [影碟机] [音响功放] [冰箱空调] [汽车电路] [家用电器] [电器配件] [刷机教程]                    
家电 - 电视机 - TCL - 显象管型 - 浏览家电
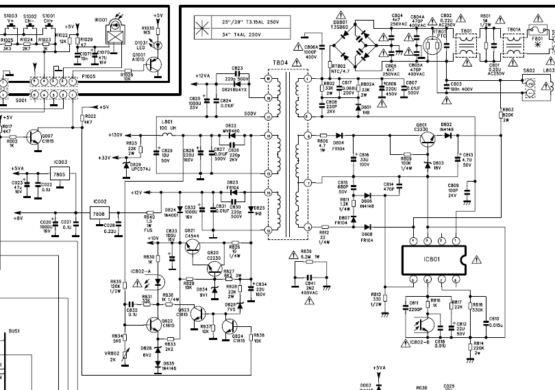
TCL电源STR-W6854初级只有一个Q801三极管电源理图
发布日期:2013-3-7 10:29:31 作者: 出处: 浏览:146 人次 【

各位同仁那位大侠有TCL    STR-W6854初级只有一个三极管的,电源原理图  谢
---------------------------------
W6854 6854.bmp (1.32 MB) 6854.bmp
---------------------------------

---------------------------------
三极管F422 !
---------------------------------
LZ大大 终于找到了哈 寒 挺难找的
---------------------------------
了 我也正需要,
---------------------------------
,我也需要,今天遇到了
---------------------------------
,我也需要
共有1条家电 页次:1/1 分页: 9 1 :
发布人:----- 】·【推荐好友】·【打印】·【顶部
相关家电
[显象管型] ·TCL电源STR-W6854初级只有一个Q801三极管电源理... 2013-03-07
相关评论
   系统暂时关闭评论功能!
最新家电
 长虹液晶电视数据查找...
 GBJ25005 GBJ2501 GB...
 U盘刷机的准备U盘和基...
 AOZ1037的引脚功能
 AOZ3015AI的引脚功能
 刷你的数据灯都不亮了...
热门家电
 AOZ3015AI的引脚功能
 TCL超级芯片8859CSNG...
 海信变频压缩机UVW三...
 JT1199,CH341编程...
 松下NN-K652电脑...
 松下电饭煲显示U15
推荐家电
文章搜索
关键字:
网站声明 | 网站留言 | 友情链接 | 与我在线
Copyright ? 数据之家 All Rights Reserved.2002-2099
邮:2843417081@qq.com