游客,您好
注册 登陆 退出 登录帮助 用户中心 搜索 康佳电视串号检测 备用网址 关于 加入收藏
家电 电脑 平板 游戏 数据 软件 电玩 东芝 L G BOE 微鲸 夏普 风行 暴风 麦龙 联通 金正 鼎科 论坛
虹星 三星 厦华 熊猫 联想 同方 韩电 乐视 拓步 CNC 看尚 小米 PPTV 杂牌 中韩 现代 惠科 理想 山水
[电视机] [影碟机] [音响功放] [冰箱空调] [汽车电路] [家用电器] [电器配件] [刷机教程]                    
家电 - 电视机 - TCL - 显象管型 - 浏览家电
TCL-3498GH彩电画中画电路原理与检测
发布日期:2013-3-6 18:52:38 作者: 出处: 浏览:112 人次 【

TCL-3498GH彩电画中画电路原理与检测
2000年,第10期,类别:专题

  画中画电路是利用数字技术将电视信号经取样、量化、存储、压缩后,形成与主画面成一定比例的单个或多个子画面,再采用高速电子开关使主画面部分消隐,而将子画面嵌入主画面中的一种电视信号处理电路。其原理电路见图1。
  本机采用的是主、子画面可同时接收两套电视节目的“射频画中画”方案。主、子画面各用一套高频调谐器、图像中放、视频信号处理等电路来同时接收两套射频电视节目。画中画部分则采用了三块集成块:主集成块IC803,用于对子画面进行图像中放、P/N彩色解码、产生水平和垂直同步信号及RGB/YUV开关;另两块是IC802和IC801,分别用于对子画面进行D/A变换及特技处理。
  一、子画面解调电路
  1TV子画面解调
  子画面高频头(TUNER2)送来的子画面中频信号,通过PIP可变幅频特性声表面滤波器SA801选频后,耦合至IC803{33}、{34}脚。经内部中频放大解调后的视频全电视信号由{22}脚输出,经Q802缓冲放大后由{20}脚再输入IC803。从视频放大器输出的信号,在IC803内分一路去作为RFAGC的控制信号,{31}脚外接VR801作RFAGC调整。RFAGC电压由IC803{29}输出→R824→CN8021→CN3031→D112→TUNER2 AGC端。{28}脚为PIP NTSC色调调整,控制信号来自CPU{12}脚。
  SA801(OFW6263K)为可变幅频特性式声表面滤波器。当子画面接收PAL制TV信号时,IC803{25}脚(色度制式逻辑出/入)输出低电平,Q801截止,D801导通,SA8011、10脚并联,构成宽频带状态,以满足PAL制式幅频特性相对较宽的要求,可获得较高的图像清晰度和较好的伴音信号;当接收NTSC制TV信号时,IC801{25}脚输出高电平,Q801导通,D801截止,子画面中频信号只能从SA8011脚输入,通频带相应变窄,以保证在不损失图像清晰度的前提下,抑制伴音对图像的串扰。
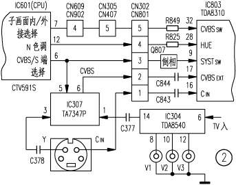
  2子画面TV/AV/S端切换(见图2)
  IC8039、{16}、{17}、{20}、{32}脚组成输入开关转换电路,并受CPU7脚输出的开关转换信号的控制,以选择内/外接信号。当输入低电平至IC803{32}脚时,控制电路接通{20}脚输入的PIP子画面TV信号;当输入为高电平时,切换至{16}、{17}脚来的信号。该信号又分两种情况:第一种情况,当置于S端子输入时,CPU6脚输出高电平,控制转换集成块IC3075脚,使接于IC3073脚的S端子亮度信号→IC3076→CN3022→CN8012→C844→IC803{17}脚,色度信号→CN3021→CN8011→C843→IC801{16};第二种情况,当置于其它三路AV信号或主画面TV信号输入时,从视频转换集成块IC304{14}脚耦合至IC3071脚的复合视频信号,在CPU6脚低电平的控制下,切换到IC3076脚输出,从{17}脚输入IC803。IC8039脚因受CPU6脚高电平控制,关闭色陷波器和色带通滤波器,S端子输入的亮/色信号至{16}、{17}脚,不再经过Y/C分离电路直接进入下面的解调电路;当CPU6脚为低电平时,IC803打开色陷波器和色带通滤波器,将IC803{17}脚输入的复合视频信号({16}脚空置)分离成Y、C信号再进入下面的电路。
  3子画面亮/色处理与同步分离
  进入IC803的各路信号经“输入选择”开关对输入的CVBS(复合视频信号)或Y/C信号进行识别检测切换后,分三路输出(见下期本版图3)。第一路经色陷波器滤除色度信号后的亮度信号,送至内部的集成亮度延迟线,作延迟处理后由{49}脚输出。另一路经色带通滤波器滤除亮度信号后的色度信号,送至色度解码电路,在P/N解码器中解调出(R-Y)和(B-Y)两个色差信号,分别从{51}、{50}脚输出。P/N解码器所需要的色副载波,由外接于{43}脚的443MHz(PAL)和{45}脚的358MHz(NTSC)晶体与P/N解码器中的PLL锁相环电路构成的压控振荡器(VCO)提供。{46}脚外接的RC网络组成锁相环彩色滤波器。色副载振荡器的频率由P/N解码器根据输入色度信号自动选择。
  从“输入选择”开关输出的另一路亮度信号进入同步分离级,经钳位放大后分离出复合同步信号,一路送场同步分离与行/场分频电路,使从行振荡脉冲分频出来的场频脉冲与之同步,同步后的场频脉冲作为子画面场同步脉冲由IC803{36}脚输出。另一路复合同步信号和经消噪处理后的信号,在AFC鉴相器中与行压控振荡器(VCO)产生的行振荡信号的相位进行比较,用于调整行VCO的振荡脉冲相位,实现行同步。VCO振荡器同时受P/N解码器输出的色副载波基准信号控制,以适应不同制式时对行频的需要。行振荡信号经脉冲形成电路分频整形后,作为子画面行同步脉冲从IC803{39}脚输出。{37}脚外接的RC元件,构成鉴相器滤波网络,该网络阻容元件的变化会直接影响子画面同步范围。该集成块行压控振荡器电容内置,无需外接振荡元件。另外由子画面行、场、色同步脉冲构成的沙堡脉冲从{40}脚输出,本电路未用。
  二、子画面形成电路
  1子画面A/D、D/A转换及特技处理
  当今彩电的画中画技术,无论是“射频”画中画,还是“视频”画中画都采用了全数字化方式,本机也不例外。
  IC802是一块模/数(A/D)转换集成电路。由IC803{49}、{50}、{51}脚输出的子画面信号从IC802{23}、{21}、{19}脚输入,先经各自的钳位器钳位至同一电平。亮度信号由6比特模/数转换器取样保持、量化处理后转换成6位数字二进制码(Y00-Y05),再经可调延迟后从7~2脚输出;两路色差信号也进入各自的6比特模/数转换器,经加减处理后混合成4位数字二进制码(UV00~UV03)由{11}~8脚输出。(未完待续)
  

共有1条家电 页次:1/1 分页: 9 1 :
发布人:----- 】·【推荐好友】·【打印】·【顶部
相关家电
[显象管型] ·TCL-3498GH彩电画中画电路原理与检测 2013-03-06
相关评论
   系统暂时关闭评论功能!
最新家电
 长虹液晶电视数据查找...
 GBJ25005 GBJ2501 GB...
 U盘刷机的准备U盘和基...
 AOZ1037的引脚功能
 AOZ3015AI的引脚功能
 刷你的数据灯都不亮了...
热门家电
 AOZ3015AI的引脚功能
 TCL超级芯片8859CSNG...
 海信变频压缩机UVW三...
 JT1199,CH341编程...
 松下NN-K652电脑...
 松下电饭煲显示U15
推荐家电
文章搜索
关键字:
网站声明 | 网站留言 | 友情链接 | 与我在线
Copyright ? 数据之家 All Rights Reserved.2002-2099
邮:2843417081@qq.com