游客,您好
注册
登陆
退出
登录帮助
用户中心
搜索
康佳电视串号检测
备用网址
关于
加入收藏
家电
电脑
平板
游戏
数据
软件
电玩
东芝
L G
BOE
微鲸
夏普
风行
暴风
麦龙
联通
金正
鼎科
论坛
虹星
三星
厦华
熊猫
联想
同方
韩电
乐视
拓步
CNC
看尚
小米
PPTV
杂牌
中韩
现代
惠科
理想
山水
[
电视机
]
[
影碟机
]
[
音响功放
]
[
冰箱空调
]
[
汽车电路
]
[
家用电器
]
[
电器配件
]
[
刷机教程
]
家电
-
电视机
-
TCL
-
显象管型
- 浏览家电
TCL9621D彩电三无故障检修
发布日期:2013-3-6 18:52:37 作者: 出处: 浏览:
83
人次 【
大
中
小
】
TCL9621D彩电三无故障检修
2003年,第11期,类别:彩电维修
据用户反映,该机在收看中突然无光栅,无伴音,电源指示灯也不亮。
测开关电源+B端电压为0V,脱开L804,断开行负载接上假负载开机,测+B端仍无电压输出,判断故障在开关电源部分。
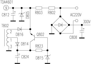
该机采用自激并联型开关电源,核心部分由TDA4601等组成。测其{9}脚电源端电压为0V,正常值应为12V。断电后用万用表R×1挡测{9}脚对地阻值很小,查其外围件,发现过压保护稳压管D805(稳压值16V)击穿(见附图)。将D805换新后试机,机内有吱吱声,+B端电压在50~70V之间波动,TDA4601{9}脚电压在10V左右波动,显然是{9}脚电压异常造成的。在刚通电时,市电经整流桥半波整流,经由R802、R803为TDA4601{9}脚提供启动电压,电源启动后改由Q802、D815组成的12V稳压电路供电。重点检查Q802、D815,发现Q802开路,D815击穿。将Q802(2SC2230)用2SC2482代换,D815用12V稳压管代换后恢复原电路试机,故障排除。
共有
1
条家电 页次:1/1
分页:
9
1
:
发布人:
-----
【
大
中
小
】·【
推荐好友
】·【
打印
】·【
顶部
】
相关家电
[
显象管型
]
·
TCL9621D彩电三无故障检修
2013-03-06
相关评论
系统暂时关闭评论功能!
最新家电
长虹液晶电视数据查找...
GBJ25005 GBJ2501 GB...
U盘刷机的准备U盘和基...
AOZ1037的引脚功能
AOZ3015AI的引脚功能
刷你的数据灯都不亮了...
热门家电
AOZ3015AI的引脚功能
TCL超级芯片8859CSNG...
海信变频压缩机UVW三...
JT1199,CH341编程...
松下NN-K652电脑...
松下电饭煲显示U15
推荐家电
文章搜索
关键字:
网站声明
|
网站留言
|
友情链接
|
与我在线
Copyright ?
数据之家
All Rights Reserved.2002-2099
邮:2843417081@qq.com