游客,您好
注册 登陆 退出 登录帮助 用户中心 搜索 康佳电视串号检测 备用网址 关于 加入收藏
家电 电脑 平板 游戏 数据 软件 电玩 东芝 L G BOE 微鲸 夏普 风行 暴风 麦龙 联通 金正 鼎科 论坛
虹星 三星 厦华 熊猫 联想 同方 韩电 乐视 拓步 CNC 看尚 小米 PPTV 杂牌 中韩 现代 惠科 理想 山水
[电视机] [影碟机] [音响功放] [冰箱空调] [汽车电路] [家用电器] [电器配件] [刷机教程]                    
家电 - 电视机 - TCL - 显象管型 - 浏览家电
TCL彩电电网电压自动检测电路原理与维修
发布日期:2013-3-5 12:16:50 作者: 出处: 浏览:98 人次 【

TCL彩电电网电压自动检测电路原理与维修
2003年,第1期,类别:彩电维修

  TCL王牌彩电其中几款型号(如TCL2133E、2175E、2518E)带有电网电压自动检测及保护功能,下面介绍其基本原理(见附图):
  该类机型在正常使用时,按“显示”键可显示实时电网电压,当电网电压低于130V时会自动显示“电网电压低于130V,请关机”,在15秒钟后自动关机;当电网电压高于270V时会显示“电网电压高于270V,请关机”,同样在15秒钟后自动关机,从而对电视机进行保护。
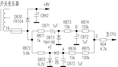
  从电原理图可以看出,从开关变压器{16}脚输出的脉冲电压分两路:一路通过R872经D872稳压,D871钳位使A点电压稳定在-5.5V;另一路经R871、C871、D873倍压,使B点电压在+12V左右。A点和B点电压经R874、R875、R876分压,如电网电压220V正常时,则在D点形成+3.2V左右的基准电压,经R04送至CPU进行电压检测。当电网电压发生变化时,B点电压跟随变化,使D点基准电压+3.2V产生偏移,CPU根据基准电压的变化大小来显示和判断电网电压的高低或进行保护关机。
  实际应用中该类机型有时会出现电网电压显示过高、过低或保护关机的现象。在测量电网电压正常的情况下,一般可通过内部菜单的调整,使电压显示的数值高低趋于正常,如通过调整仍不能调至正常时,则有可能是该电压检测电路出了故障。
  进入该类机型的内部菜单需拆开用户遥控器进行,如遥控器型号为RC-C8T或RC-C10T的,拆开后找到上面数下来第三排左起第三个键盘点(即“游戏”键右边第二个)短路一下,即可进入内部菜单。如遥控器为RC-C01T的或左手最下方无“暂停”键的,可拆开遥控器短路左边最下面的键盘点进入内部菜单。调整完毕后,按遥控器上“菜单”键退出内部菜单。
  下面是关于电网电压检测电路的几个维修实例,及进入内部菜单后的调整方法,以供参考:
 [例1]机型:2518E
  故障现象:电视机显示“电网电压高于270V,请关机”字样,几秒钟后自动关机。
  检修:该机具有电网电压自动检测功能,电网电压过底、过高都会有字符提示,并适时自动关机。从该现象来看,有可能是内部菜单中有关电压检测的数据未调好,或机器中有关电压检测电路中有元件损坏。本着从简到繁的原则,先打开内部菜单调数据入手,按“音量”键找到00项主菜单页,再用“节目”键移至“POWER LOW”及“POWER HIGH”项,再用“音量”键分别调整为“4”和“14”,按“菜单”键退出内部菜单后按“显示”键显示“电网电压220V”机器正常(一般“POWER LOW”项数值在1~4,“POWER HIGH”在8~14之间,可根据实际情况进行调整,200V以上时调“POWER HIGH”项,200V以下时调“POWER LOW”项。)
 [例2]机型:2133E
  故障现象:画面显示“电网电压低于130V,请关机”,数秒后自动关机。
  检修:先打开内部菜单,调第13大项中的第3、4(POWER LOW、POWER HIGH)两项,适当调整两项数据后无效(一般为“2”、“11”)。怀疑电压检测电路有故障(该机图纸上未绘出这部分电路图),经检测发现R874(120kΩ)开路,更换后显示220V正常。
 [例3]机型:2175E
  故障现象:画面显示“电网电压高于270V,请关机”,数秒钟后自动关机。
  检修:先打开内部菜单,调第13大项中的第3、4(POWER LOW、POWER HIGH)两项,适当调整两项数据后无效(一般为“2”、“11”)。怀疑电压检测电路有故障,经检测发现R875(100kΩ)开路,更换后适当调整内部数据,显示220V正常。


共有1条家电 页次:1/1 分页: 9 1 :
发布人:----- 】·【推荐好友】·【打印】·【顶部
相关家电
[显象管型] ·TCL彩电电网电压自动检测电路原理与维修 2013-03-05
相关评论
   系统暂时关闭评论功能!
最新家电
 长虹液晶电视数据查找...
 GBJ25005 GBJ2501 GB...
 U盘刷机的准备U盘和基...
 AOZ1037的引脚功能
 AOZ3015AI的引脚功能
 刷你的数据灯都不亮了...
热门家电
 AOZ3015AI的引脚功能
 TCL超级芯片8859CSNG...
 海信变频压缩机UVW三...
 JT1199,CH341编程...
 松下NN-K652电脑...
 松下电饭煲显示U15
推荐家电
文章搜索
关键字:
网站声明 | 网站留言 | 友情链接 | 与我在线
Copyright ? 数据之家 All Rights Reserved.2002-2099
邮:2843417081@qq.com