游客,您好
注册 登陆 退出 登录帮助 用户中心 搜索 康佳电视串号检测 备用网址 关于 加入收藏
家电 电脑 平板 游戏 数据 软件 电玩 东芝 L G BOE 微鲸 夏普 风行 暴风 麦龙 联通 金正 鼎科 论坛
虹星 三星 厦华 熊猫 联想 同方 韩电 乐视 拓步 CNC 看尚 小米 PPTV 杂牌 中韩 现代 惠科 理想 山水
[电视机] [影碟机] [音响功放] [冰箱空调] [汽车电路] [家用电器] [电器配件] [刷机教程]                    
家电 - 电视机 - 创维 - 显象管型 - 浏览家电
创维CTV8219彩电行幅不足检修
发布日期:2013-3-4 9:42:05 作者: 出处: 浏览:275 人次 【

创维CTV8219彩电行幅不足检修
2002年,第42期,类别:彩电维修

通电后有伴音有图像,但图像行幅不足,且行幅越来越窄。
  行幅不足的常见原因有:开关电源+B端电源电压降低、显像管阳极电压升高、行偏转线圈局部短路及行S校正电容容量变小等。
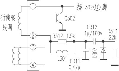
  断电后观察,发现如附图所示的R312严重烧焦,位于其下方的印刷电路板被R312烧烤而烧穿。
  据机主反映:该机在使用中突然行幅收缩,接着机内冒烟,立即关机;第二天开机又能收看,但不定期出现同一故障,拍打机壳,偶尔故障会消失,就这样让机子带病工作了数月。后来拍打机壳无效才送修。根据接机后的观察和机主反映的情况分析,可能是行幅线圈L301引脚接触不良,当L301脱焊时,由于R312的阻流作用,使流经行偏转线圈的偏转电流减小,水平偏转磁场变弱,造成行幅不足。同时,R312经受不起大电流的冲击,导致严重发热烧焦,且发热变值,其电阻值逐渐变大,引起行偏转电流进一步减小,于是行幅越来越窄。
  在用无水酒精清洗因R312发热被烧穿的印刷板时,发现L301两引脚脱焊,说明上述分析正确。再检查C311、C312、D302、R311等相关元件,未见异常,更换R312并焊牢L301后试机,行幅恢复正常,故障排除。

共有1条家电 页次:1/1 分页: 9 1 :
发布人:----- 】·【推荐好友】·【打印】·【顶部
相关家电
[显象管型] ·创维CTV8219彩电行幅不足检修 2013-03-04
相关评论
   系统暂时关闭评论功能!
最新家电
 长虹液晶电视数据查找...
 GBJ25005 GBJ2501 GB...
 U盘刷机的准备U盘和基...
 AOZ1037的引脚功能
 AOZ3015AI的引脚功能
 刷你的数据灯都不亮了...
热门家电
 AOZ3015AI的引脚功能
 TCL超级芯片8859CSNG...
 海信变频压缩机UVW三...
 JT1199,CH341编程...
 松下NN-K652电脑...
 松下电饭煲显示U15
推荐家电
文章搜索
关键字:
网站声明 | 网站留言 | 友情链接 | 与我在线
Copyright ? 数据之家 All Rights Reserved.2002-2099
邮:2843417081@qq.com