游客,您好
注册
登陆
退出
登录帮助
用户中心
搜索
康佳电视串号检测
备用网址
关于
加入收藏
家电
电脑
平板
游戏
数据
软件
电玩
东芝
L G
BOE
微鲸
夏普
风行
暴风
麦龙
联通
金正
鼎科
论坛
虹星
三星
厦华
熊猫
联想
同方
韩电
乐视
拓步
CNC
看尚
小米
PPTV
杂牌
中韩
现代
惠科
理想
山水
[
电视机
]
[
影碟机
]
[
音响功放
]
[
冰箱空调
]
[
汽车电路
]
[
家用电器
]
[
电器配件
]
[
刷机教程
]
家电
-
电视机
-
创维
-
显象管型
- 浏览家电
创维2522彩电场幅异常及枕形失真故障检修
发布日期:2013-3-4 9:37:59 作者: 出处: 浏览:
185
人次 【
大
中
小
】
创维2522彩电场幅异常及枕形失真故障检修
2002年,第41期,类别:彩电维修
该机图像无规律压缩成水平亮带,但伴音正常。
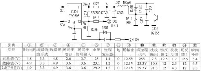
该机采用集场输出与枕形校正电路于一体的新型集成电路STV9306。从故障现象看似为某元件接触不良,仔细补焊IC301(STV9306)各脚及相关元件后无效。测IC301各脚电压与维修数据比较相差较大(见附表),怀疑IC301性能不良,但换新后故障依旧。针对电压误差较大的相关引脚外围元件检查,发现其电源供电保险电阻R316(0.68Ω/1W)阻值已增大为18Ω。换新后实测IC301{6}脚电压为29.2V,图像压缩故障不再出现,但图像水平方向呈锯齿栅栏条状,且行幅偏大,并有枕形失真。
试进入总线调整,行幅可调,但始终不正常,且只要校正好枕形失真,行幅就必须调到偏大(此时图像无栅栏条)。由于行、场幅度可调,说明CPU及总线接口基本正常,故障在外围电路。
该机枕形校正电路见附图,场频脉冲在STV9306内部积分整形后,由内部驱动器放大再从{11}脚输出,在C309处形成下凹的场频脉冲抛物波,该抛物波经扼流电感L301加至双阻尼二极管电路D310、D311中点,对行偏转线圈中的电流进行桶形调制(即每场上下,行偏转电流相对较小,中间偏大),其校正量由I2C总线直接对STV9306进行控制。因此,C309上的抛物波电压越大,枕形失真越小;反之,枕形失真就越大。同样,C309上的直流电压越大,行幅越小;反之,行幅就越大。
从故障现象可初步判定,造成行幅偏大的原因主要是C309上的直流电压异常。查C317、D310、D311、C301、C309、R329等相关元件均正常,但发现电路板上R329与C309正极连接点处(附图A点)补焊了一只标为“BZX85C47”字样的稳压管,经测量,其正反向电阻均为75Ω,明显异常。用新品代换后,故障彻底排除。
小结:本例由于厂家增设的枕形校正输出电路中保护稳压管未在图纸上标注,主板上也无该元件位号,加之所附数据资料与实测正常值误差较大,而使维修颇费周折。当该稳压管反向漏电后,相当于在IC301枕校输出端对地并接了额外的功率负载,使IC301{11}脚输出的下凹抛物波峰峰值大幅下降,造成枕形失真。同时,由于该稳压管反向漏电,使C309正端对地电位随之下降,从而导致行幅偏大故障。实践证明,用μPC574等33V稳压管代替该稳压管更为可*。
值得注意的是,该机C309在实际工作时仍有较大的行频锯齿波电流流过,故C309(22μF/250V电解电容)应用4.7μF耐压≥50V高频特性良好的无极性电容代换。否则,极易造成因C309容量减小而导致的枕形失真故障。
共有
1
条家电 页次:1/1
分页:
9
1
:
发布人:
-----
【
大
中
小
】·【
推荐好友
】·【
打印
】·【
顶部
】
相关家电
[
显象管型
]
·
创维2522彩电场幅异常及枕形失真故障检修
2013-03-04
相关评论
系统暂时关闭评论功能!
最新家电
长虹液晶电视数据查找...
GBJ25005 GBJ2501 GB...
U盘刷机的准备U盘和基...
AOZ1037的引脚功能
AOZ3015AI的引脚功能
刷你的数据灯都不亮了...
热门家电
AOZ3015AI的引脚功能
TCL超级芯片8859CSNG...
海信变频压缩机UVW三...
JT1199,CH341编程...
松下NN-K652电脑...
松下电饭煲显示U15
推荐家电
文章搜索
关键字:
网站声明
|
网站留言
|
友情链接
|
与我在线
Copyright ?
数据之家
All Rights Reserved.2002-2099
邮:2843417081@qq.com