游客,您好
注册
登陆
退出
登录帮助
用户中心
搜索
康佳电视串号检测
备用网址
关于
加入收藏
家电
电脑
平板
游戏
数据
软件
电玩
东芝
L G
BOE
微鲸
夏普
风行
暴风
麦龙
联通
金正
鼎科
论坛
虹星
三星
厦华
熊猫
联想
同方
韩电
乐视
拓步
CNC
看尚
小米
PPTV
杂牌
中韩
现代
惠科
理想
山水
[
电视机
]
[
影碟机
]
[
音响功放
]
[
冰箱空调
]
[
汽车电路
]
[
家用电器
]
[
电器配件
]
[
刷机教程
]
家电
-
电视机
-
TCL
-
显象管型
- 浏览家电
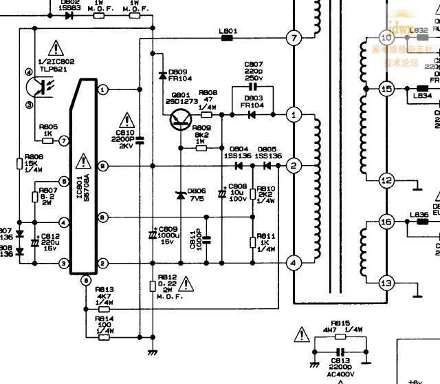
LCDMS68机芯遥控失灵
发布日期:2013-2-1 18:02:14 作者: 出处: 浏览:
216
人次 【
大
中
小
】
111.jpg
(54.07 KB)
共有
1
条家电 页次:1/1
分页:
9
1
:
发布人:
-----
【
大
中
小
】·【
推荐好友
】·【
打印
】·【
顶部
】
相关家电
[
显象管型
]
·
LCDMS68机芯遥控失灵
2013-02-01
相关评论
系统暂时关闭评论功能!
最新家电
长虹液晶电视数据查找...
GBJ25005 GBJ2501 GB...
U盘刷机的准备U盘和基...
AOZ1037的引脚功能
AOZ3015AI的引脚功能
刷你的数据灯都不亮了...
热门家电
AOZ3015AI的引脚功能
TCL超级芯片8859CSNG...
海信变频压缩机UVW三...
JT1199,CH341编程...
松下NN-K652电脑...
松下电饭煲显示U15
推荐家电
文章搜索
关键字:
网站声明
|
网站留言
|
友情链接
|
与我在线
Copyright ?
数据之家
All Rights Reserved.2002-2099
邮:2843417081@qq.com