游客,您好
注册
登陆
退出
登录帮助
用户中心
搜索
康佳电视串号检测
备用网址
关于
加入收藏
家电
电脑
平板
游戏
数据
软件
电玩
东芝
L G
BOE
微鲸
夏普
风行
暴风
麦龙
联通
金正
鼎科
论坛
虹星
三星
厦华
熊猫
联想
同方
韩电
乐视
拓步
CNC
看尚
小米
PPTV
杂牌
中韩
现代
惠科
理想
山水
[
电视机
]
[
影碟机
]
[
音响功放
]
[
冰箱空调
]
[
汽车电路
]
[
家用电器
]
[
电器配件
]
[
刷机教程
]
家电
-
电视机
-
创维
-
显象管型
- 浏览家电
创维2939彩电开机呈蓝屏的检修
发布日期:2013-3-13 16:40:41 作者: 出处: 浏览:
81
人次 【
大
中
小
】
创维2939彩电开机呈蓝屏的检修
2003年,第8期,类别:彩电维修
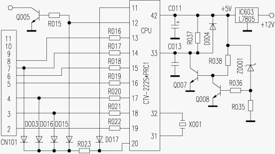
一台创维CTV-2939彩电开机时呈蓝屏,按遥控器按键和面板按键均失灵,但面板红色指示灯亮。
开机有蓝屏出现,说明开关缭吹缏贰⑿谐∩璧缏贰⑹臃诺缏泛拖韵窆艿缏坊菊#欢?亍⑹挚鼐Я椋χ氐悴椋茫校占捌渫馕У缏贰8没茫校招秃盼茫裕郑玻玻玻?PRC1,是CTV-222S的改进型,多了自动搜索存台和强制无信号蓝背景功能,如CPU异常就会出现蓝屏,主要原因有:(1)CPU电源(5V)异常;(2)主时钟振荡电路异常;(3)复位电路异常;(4)按键扫描矩阵电路异常;(5)CPU本身不良。相关电路见附图。
用数字表测CPU{42}脚电源电压为5V正常;{31}、{32}脚主时钟晶振电压分别为2.39V、2.04V,与正常值基本相符,试换一正品10MHz晶振,故障依旧;测{33}脚复位端瞬间电压有0.02~5V的变化,由于复位电压变化较快,用万用表很难准确测量,故用一只3.6kΩ电阻一端接CPU{33}脚,一端瞬间碰地强行复位,结果出现待机现象,按面板按键无反应,按遥控器上任意键均能二次开机,根据这一特征判断,遥控器、遥控接收电路正常,CPU及上述三处电路也正常,故障点可能在按键扫描矩阵电路。
测CPU{10}~{20}脚电压,发现{10}脚(强制无信号蓝屏景)电压为1.34V,{11}脚(VTR时间常数)电压为0.14V,{14}脚电压为1.58V,{18}脚电压为1.56V,{20}脚(系统控制)电压为0.82V,与正常值(正常值见附表)相比相差太多,怀疑面板按键内部短路。拔下*头CN101,再测这几脚电压不变,检测开关二极管D003、D013、D015、D016、D017,发现D013正反阻值均为1.2kΩ。更换D013,*好CN101开机,故障排除。
共有
1
条家电 页次:1/1
分页:
9
1
:
发布人:
-----
【
大
中
小
】·【
推荐好友
】·【
打印
】·【
顶部
】
相关家电
[
平板型
]
·
HS280-4N02【电源板】HS280-4N02电源常见故障检修技...
2013-10-10
[
显象管型
]
·
三洋CK29F90PN三无检修一例.
2013-08-18
[
显象管型
]
·
大屏幕彩电维修资料---场扫描电路故障检修
2013-08-18
[
显象管型
]
·
彩电场输出块损坏原因及检修实例
2013-08-18
[
显象管型
]
·
彩电屏幕回扫线故障的常见原因及检修技巧
2013-08-18
相关评论
系统暂时关闭评论功能!
最新家电
长虹液晶电视数据查找...
GBJ25005 GBJ2501 GB...
U盘刷机的准备U盘和基...
AOZ1037的引脚功能
AOZ3015AI的引脚功能
刷你的数据灯都不亮了...
热门家电
AOZ3015AI的引脚功能
TCL超级芯片8859CSNG...
海信变频压缩机UVW三...
JT1199,CH341编程...
松下NN-K652电脑...
松下电饭煲显示U15
推荐家电
文章搜索
关键字:
网站声明
|
网站留言
|
友情链接
|
与我在线
Copyright ?
数据之家
All Rights Reserved.2002-2099
邮:2843417081@qq.com