游客,您好
注册 登陆 退出 登录帮助 用户中心 搜索 康佳电视串号检测 备用网址 关于 加入收藏
家电 电脑 平板 游戏 数据 软件 电玩 东芝 L G BOE 微鲸 夏普 风行 暴风 麦龙 联通 金正 鼎科 论坛
虹星 三星 厦华 熊猫 联想 同方 韩电 乐视 拓步 CNC 看尚 小米 PPTV 杂牌 中韩 现代 惠科 理想 山水
[电视机] [影碟机] [音响功放] [冰箱空调] [汽车电路] [家用电器] [电器配件] [刷机教程]                    
家电 - 电视机 - 长虹 - 显象管型 - 浏览家电
长虹A2118彩电各频段无法收到低端信号的检修
发布日期:2013-3-11 8:58:22 作者: 出处: 浏览:155 人次 【

长虹A2118彩电各频段无法收到低端信号的检修
2001年,第34期,类别:彩电维修

  据用户反映,刚开始时的故障现象是原储存的频道信号全部丢失,每次都必须重新搜台才能正常收看,有时还须搜台多次;二个月后出现各频段只能接收少数几个高端信号,而低端所有频道都无法收到信号。
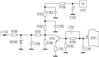
  根据上述故障现象分析,可初步判断送入高频头的调谐电压异常。该机的有关电路见附图,微处理器D701(CH04801){8}脚输出数字调谐电压(脉宽调制信号),经C781、R789、C792、R785网络及V791倒相放大后,再经低通滤波器R782、C782、R783、C783、R106、C102变成0V~30V直流调谐电压,加至高频头U101的调谐端。因为在正常收看某一频道节目时,D701{8}脚输出的脉宽调制信号是固定不变的,所以调谐器的调谐端电压也应不变。若调谐电压发生变化,调谐器的调谐状态也就随之改变,此时就不能正常收看。所以,检查此类故障的重点是调谐电压是否正常。
  开机后测VD798两端电压为33V,正常。在自动搜台状态测高频头调谐端电压仅在16V~30V之间变化,正常时范围应是0~30V,由此可见V791倒相放大电路有问题。更换V791故障不变,人为将V791 b极电位升高,即短路R789,此时测调谐电压能在6V~30V之间变化,由此可见,该故障有两种可能:其一是D701内部有故障,致使其{8}脚输出数字调谐电压降低;其二是电容C781漏电等,将D701{8}脚输出的数字调谐电压拉低而造成上述故障。本着先易后难的原则先拆下C781检测,果然C781有漏电现象,其漏电电阻值在3kΩ~10kΩ之间变化,换新后故障排除。
                              湖南 吴奉国

共有1条家电 页次:1/1 分页: 9 1 :
发布人:----- 】·【推荐好友】·【打印】·【顶部
相关家电
[平板型] ·HS280-4N02【电源板】HS280-4N02电源常见故障检修技...2013-10-10
[显象管型] ·三洋CK29F90PN三无检修一例.2013-08-18
[显象管型] ·大屏幕彩电维修资料---场扫描电路故障检修 2013-08-18
[显象管型] ·彩电场输出块损坏原因及检修实例 2013-08-18
[显象管型] ·彩电屏幕回扫线故障的常见原因及检修技巧2013-08-18
相关评论
   系统暂时关闭评论功能!
最新家电
 长虹液晶电视数据查找...
 GBJ25005 GBJ2501 GB...
 U盘刷机的准备U盘和基...
 AOZ1037的引脚功能
 AOZ3015AI的引脚功能
 刷你的数据灯都不亮了...
热门家电
 AOZ3015AI的引脚功能
 TCL超级芯片8859CSNG...
 海信变频压缩机UVW三...
 JT1199,CH341编程...
 松下NN-K652电脑...
 松下电饭煲显示U15
推荐家电
文章搜索
关键字:
网站声明 | 网站留言 | 友情链接 | 与我在线
Copyright ? 数据之家 All Rights Reserved.2002-2099
邮:2843417081@qq.com