游客,您好
注册 登陆 退出 登录帮助 用户中心 搜索 康佳电视串号检测 备用网址 关于 加入收藏
家电 电脑 平板 游戏 数据 软件 电玩 东芝 L G BOE 微鲸 夏普 风行 暴风 麦龙 联通 金正 鼎科 论坛
虹星 三星 厦华 熊猫 联想 同方 韩电 乐视 拓步 CNC 看尚 小米 PPTV 杂牌 中韩 现代 惠科 理想 山水
[电视机] [影碟机] [音响功放] [冰箱空调] [汽车电路] [家用电器] [电器配件] [刷机教程]                    
家电 - 电视机 - 创维 - 显象管型 - 浏览家电
创维2588(5S01)彩电白条*扰故障检修
发布日期:2013-3-4 9:38:36 作者: 出处: 浏览:186 人次 【

创维2588(5S01)彩电白条*扰故障检修
2002年,第29期,类别:彩电维修

开机时图像无规律闪现横向白条*扰,伴音亦随之有“喳喳”声,约五分钟后图声恢复正常。
  查开关电源+B输出端电压正常,也无高压打火现象,初步判断公共通道异常且为某元件接触不良所致。从AV端输入AV信号图声正常,说明判断正确。故障出现时测中放块IC102(STV8223)相关引脚电压,除{3}脚在2.7~3V波动外,其余基本正常,怀疑{3}脚至{8}、{10}脚间滤波组件异常。结果查遍中放块外围元件均未见异常。触摸IC102略感烫手,但更换新品后故障依旧。
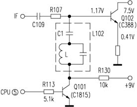
  继续往前级查,测得中放管Q102 b极电压在1.2~1.5V间波动,怀疑L102不良(见附图)。脱开L102后,图声正常,拆下L102检查,果然内部C1已发黑漏电。换为新件后,故障排除。
  附图中L102与Q101等组成N制IF通道33.5MHz邻频伴音中频陷波电路。P制时CPU{5}脚为低电平,Q101截止,L102相当于开路,保证信号有足够的中频带宽;当接收N制节目时,CPU{5}脚输出高电平,Q101导通,其c、e极相当于对地短接,L102接入电路,内LC构成吸收回路,以消除33.5MHz邻频伴音对图像的*扰。由于L102内C1漏电,+9V由R130(注:5S01机心附图并无此电阻)经L、C1加至Q102 b极,形成波动的*扰脉冲,正是此脉冲经Q102放大后窜入后级,最终在屏幕上表现为横向的白条*扰。


共有1条家电 页次:1/1 分页: 9 1 :
发布人:----- 】·【推荐好友】·【打印】·【顶部
相关家电
相关评论
   系统暂时关闭评论功能!
最新家电
 长虹液晶电视数据查找...
 GBJ25005 GBJ2501 GB...
 U盘刷机的准备U盘和基...
 AOZ1037的引脚功能
 AOZ3015AI的引脚功能
 刷你的数据灯都不亮了...
热门家电
 AOZ3015AI的引脚功能
 TCL超级芯片8859CSNG...
 海信变频压缩机UVW三...
 JT1199,CH341编程...
 松下NN-K652电脑...
 松下电饭煲显示U15
推荐家电
文章搜索
关键字:
网站声明 | 网站留言 | 友情链接 | 与我在线
Copyright ? 数据之家 All Rights Reserved.2002-2099
邮:2843417081@qq.com