游客,您好
注册
登陆
退出
登录帮助
用户中心
搜索
康佳电视串号检测
备用网址
关于
加入收藏
家电
电脑
平板
游戏
数据
软件
电玩
东芝
L G
BOE
微鲸
夏普
风行
暴风
麦龙
联通
金正
鼎科
论坛
虹星
三星
厦华
熊猫
联想
同方
韩电
乐视
拓步
CNC
看尚
小米
PPTV
杂牌
中韩
现代
惠科
理想
山水
[
电视机
]
[
影碟机
]
[
音响功放
]
[
冰箱空调
]
[
汽车电路
]
[
家用电器
]
[
电器配件
]
[
刷机教程
]
家电
-
电视机
-
国外
-
松下
- 浏览家电
松下TC-21L3RQ彩电屡损STR-6307
发布日期:2013-3-22 9:14:24 作者: 出处: 浏览:
204
人次 【
大
中
小
】
松下TC-21L3RQ彩电屡损STR-6307
2002年,第11期,类别:彩电维修
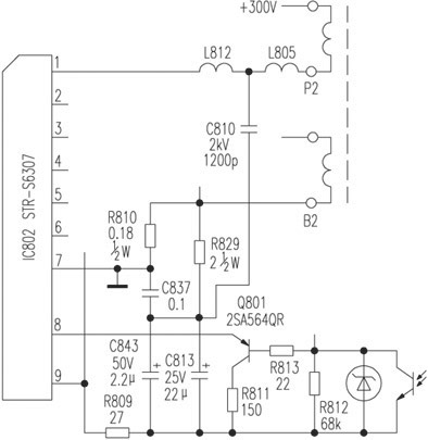
该机的故障现象为无光无声,查保险丝F801(3.15A)已熔断,电源厚膜块IC802(STR-S6307){1}、{2}、{3}脚(即内部开关管c、e、b极)已击穿。将IC802焊下后对其外围元件进行检查,发现稳压控制管Q801各极均已击穿,其他未见异常,怀疑Q801不良损坏引起IC802损坏。选用功率较大的A966代换Q801,将IC802换新,为防止意外又将行负载断开,接入60W灯泡作假负载试机,刚开机时监测主电源电压为140V正常,但约10秒钟后灯泡熄灭,查保险丝又熔断,IC802内部开关管各极又击穿,而新换的A966却没有损坏。作进一步检查,发现充电电阻R829(2Ω)已烧断,是什么原因引起R829烧断已成为该故障的关键所在。见附图,R829与-9V供电滤波电容C843、C813正极及C810(1200pF/2kV)一端相连,而C810另一端接IC802{1}脚即300V供电端,该端在开关电源工作时将产生上千伏尖峰电压,通过C810将其吸收。由此怀疑C810不良,将C810焊下检查,的确已漏电短路。经观察,C810上的标称耐压值仅为1kV,而图标值为2kV,很明显为耐压不足而引起击穿漏电。将R829、C810、IC802重新更换,开机测主电源输出电压140V正常,连续试机无异常,拆下假负载接入行负载试机,故障排除。此后又遇一台该机型烧IC802的故障,经查又是C810漏电引起,看来这是该机型的一个通病,望引起同行注意。
共有
1
条家电 页次:1/1
分页:
9
1
:
发布人:
-----
【
大
中
小
】·【
推荐好友
】·【
打印
】·【
顶部
】
相关家电
[
显象管型
]
·
松下2188。2185
2013-08-18
[
显象管型
]
·
松下29;开机30分钟后有伴音
2013-08-18
[
显象管型
]
·
松下TC-2966RS(MX-4)机芯缺红色
2013-08-18
[
显象管型
]
·
教松下TC/TC2566RS
2013-08-18
[
显象管型
]
·
松下中放AN5179中周
2013-08-18
相关评论
系统暂时关闭评论功能!
最新家电
长虹液晶电视数据查找...
GBJ25005 GBJ2501 GB...
U盘刷机的准备U盘和基...
AOZ1037的引脚功能
AOZ3015AI的引脚功能
刷你的数据灯都不亮了...
热门家电
AOZ3015AI的引脚功能
TCL超级芯片8859CSNG...
海信变频压缩机UVW三...
JT1199,CH341编程...
松下NN-K652电脑...
松下电饭煲显示U15
推荐家电
文章搜索
关键字:
网站声明
|
网站留言
|
友情链接
|
与我在线
Copyright ?
数据之家
All Rights Reserved.2002-2099
邮:2843417081@qq.com