游客,您好
注册
登陆
退出
登录帮助
用户中心
搜索
康佳电视串号检测
备用网址
关于
加入收藏
家电
电脑
平板
游戏
数据
软件
电玩
东芝
L G
BOE
微鲸
夏普
风行
暴风
麦龙
联通
金正
鼎科
论坛
虹星
三星
厦华
熊猫
联想
同方
韩电
乐视
拓步
CNC
看尚
小米
PPTV
杂牌
中韩
现代
惠科
理想
山水
[
电视机
]
[
影碟机
]
[
音响功放
]
[
冰箱空调
]
[
汽车电路
]
[
家用电器
]
[
电器配件
]
[
刷机教程
]
家电
-
电视机
-
海信
-
显象管型
- 浏览家电
海信TC2518KB彩电自动关机故障检修一例
发布日期:2013-3-16 10:40:13 作者: 出处: 浏览:
71
人次 【
大
中
小
】
海信TC2518KB彩电自动关机故障检修一例
2002年,第28期,类别:彩电维修
接修一台海信TC2518KB彩电,据用户反映,开始时,收看一小时左右自动关机,关闭总电源开关后,过一段时间再开机,又能收看近一个小时;到后来,开机收看3~5分钟就自动关机。
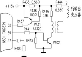
试机观察故障现象,与用户反映的情况一致。故障出现时,测附图中+115V端电压正常,行输出变压器{2}脚电压约为112V,行推动管V402 b极电压为0V,行振荡信号输出端N501{39}脚为0V,正常时为2V。说明N501内部行振荡电路已停振,而造成N501内部行振荡不能工作的原因有:N501的供电电压不正常;X射线保护电路动作迫使行振荡停振;N501或{37}脚外接晶振热稳定性不良。测N501X射线保护端{52}脚电压接近2V,正常工作时其电压为0.2V,说明行振荡停振是X射线保护。X射线保护有过压保护电路和过流保护电路,电源电压+115V正常,证明不是过压保护而是过流保护。过流保护电路由R435、V431及其偏置元件组成。其保护电路的原理是:当行输出电流过大时,R435两端压降增大,V431由截止变为导通,其c极电位升高,通过R437使N501{52}脚电位升高,X射线保护电路动作,迫使行振荡停振,起到保护作用。查V431、R435、R436等元件,发现R435由正常值0.56Ω变为5Ω,更换R435后故障排除。
共有
1
条家电 页次:1/1
分页:
9
1
:
发布人:
-----
【
大
中
小
】·【
推荐好友
】·【
打印
】·【
顶部
】
相关家电
[
平板型
]
·
海信MST628升级方法
2017-01-25
[
显象管型
]
·
海信DP2999彩行
2013-08-18
[
显象管型
]
·
海信TC2107F行管基极电压高
2013-08-18
[
显象管型
]
·
海信电视搬到店里就有伴音,拿回去没有!
2013-08-18
[
显象管型
]
·
海信TC2189A干扰
2013-08-18
相关评论
系统暂时关闭评论功能!
最新家电
长虹液晶电视数据查找...
GBJ25005 GBJ2501 GB...
U盘刷机的准备U盘和基...
AOZ1037的引脚功能
AOZ3015AI的引脚功能
刷你的数据灯都不亮了...
热门家电
AOZ3015AI的引脚功能
TCL超级芯片8859CSNG...
海信变频压缩机UVW三...
JT1199,CH341编程...
松下NN-K652电脑...
松下电饭煲显示U15
推荐家电
文章搜索
关键字:
网站声明
|
网站留言
|
友情链接
|
与我在线
Copyright ?
数据之家
All Rights Reserved.2002-2099
邮:2843417081@qq.com