游客,您好
注册
登陆
退出
登录帮助
用户中心
搜索
康佳电视串号检测
备用网址
关于
加入收藏
家电
电脑
平板
游戏
数据
软件
电玩
东芝
L G
BOE
微鲸
夏普
风行
暴风
麦龙
联通
金正
鼎科
论坛
虹星
三星
厦华
熊猫
联想
同方
韩电
乐视
拓步
CNC
看尚
小米
PPTV
杂牌
中韩
现代
惠科
理想
山水
[
电视机
]
[
影碟机
]
[
音响功放
]
[
冰箱空调
]
[
汽车电路
]
[
家用电器
]
[
电器配件
]
[
刷机教程
]
家电
-
电视机
-
海信
-
显象管型
- 浏览家电
海信SR5468彩电行管击穿造成CPU保护
发布日期:2013-3-16 10:36:59 作者: 出处: 浏览:
95
人次 【
大
中
小
】
海信SR5468彩电行管击穿造成CPU保护
2001年,第1期,类别:彩电维修
通电后电源指示灯亮,用遥控二次开机,指示灯先变暗,三秒钟后又变亮,而呈现三无。
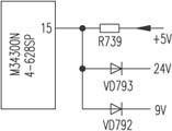
根据故障现象判断电视机已进入保护状态。该机采用三洋A3机芯,CPU为M34300N4-628SP,其{15}脚为过流保护检测端(见附图),正常时该脚电压应为4.5V,二极管VD792、VD793因为9V、24V的作用,反偏截止;若9V或24V支路过流电压大幅度下降时,VD792或VD793导通,{15}脚变为低电平,CPU{17}脚即变为5V高电平,使开关电源停振。
开机测CPU{15}脚电压为3V,{17}脚先为0V,三秒钟后变为5V,说明确已保护。测VD792、VD793正常,将其脱开,测{15}脚电压为4.5V正常,此时开关电源已起振,能听到开关变压器发出微弱的“吱吱”声,测开关电源130V、24V、9V输出端电压均为0V。断开行输出变压器T471{3}脚,在130V端接一假负载,开机测以上电压正常,说明故障在开关电源的负载电路中。查行管V432已击穿,换一新品后将电路复原,整机工作恢复正常。
该机CPU{15}脚外围设计仅用来检测9V和24V两支路电压,但为什么130V支路失压也会造成其保护呢?这是因为行管击穿后,开关电源过载,使130V、24V、9V急剧下降,CPU{15}脚变为低电平,最终导致CPU保护。
共有
1
条家电 页次:1/1
分页:
9
1
:
发布人:
-----
【
大
中
小
】·【
推荐好友
】·【
打印
】·【
顶部
】
相关家电
[
平板型
]
·
海信MST628升级方法
2017-01-25
[
显象管型
]
·
海信DP2999彩行
2013-08-18
[
显象管型
]
·
海信TC2107F行管基极电压高
2013-08-18
[
显象管型
]
·
海信电视搬到店里就有伴音,拿回去没有!
2013-08-18
[
显象管型
]
·
海信TC2189A干扰
2013-08-18
相关评论
系统暂时关闭评论功能!
最新家电
长虹液晶电视数据查找...
GBJ25005 GBJ2501 GB...
U盘刷机的准备U盘和基...
AOZ1037的引脚功能
AOZ3015AI的引脚功能
刷你的数据灯都不亮了...
热门家电
AOZ3015AI的引脚功能
TCL超级芯片8859CSNG...
海信变频压缩机UVW三...
JT1199,CH341编程...
松下NN-K652电脑...
松下电饭煲显示U15
推荐家电
文章搜索
关键字:
网站声明
|
网站留言
|
友情链接
|
与我在线
Copyright ?
数据之家
All Rights Reserved.2002-2099
邮:2843417081@qq.com